Каталог алюминиевых профилей

Поиск алюминиевого профиля, размеров и чертежей (ГОСТ22233-2001, ГОСТ8617-81)

О каталоге

В представленном каталоге вы можете подобрать алюминиевый профиль по вашему чертежу. В поиске отсутствуют профили стандартных сечений (алюминиевая труба, уголок, полоса) т.к. номенклатура общестроительных профилей освоена в полном объеме и вы можете обращаться с прямым запросом в коммерческий отдел.

Как найти профиль?

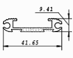
Чтобы найти в каталоге алюминиевый профиль с габаритными размерами 40×40 (с одной замкнутой областью) установите следующие параметры для слайдеров:

  • Наибольший габарит: 39−41 мм,
  • Наименьший габарит: 39−41 мм,
  • Замкнутых областей: 1−1 (сомкните ползунки).

* некоторые из представленных профилей являются эксклюзивными (прессование с использованием указанного инструмента производится только с разрешения заказчика).

Выберите параметры

Параметр «Наибольший габарит» должен быть >= «Наименьший габарит», иначе поиск будет некорректным.

Внимание: Поиск работает в тестовом режиме, старайтесь не задавать большие интервалы в слайдерах, так как на такую обработку требуется большее время...

Замкнутых областей, шт

Наибольший габарит, мм

Наименьший габарит, мм

1

46

40

0

2

144

104

0

3

137

62

0

4

80

52

0

5

44

44

1

6

85

33

0

7

23,8

12,3

0

8

65

23

2

9

27

25

0

10

46,2

24

1

11

75

68

0

12

100

30

1

13

59

40

0

14

67

22,5

3

15

28

21

0

16

64

18

0

17

112

75

0

18

118

29

0

19

60

30

1

20

45

30

1

21

40

17,5

3

22

40

28,5

0

23

22

4

0

24

13

9

0

25

23

5

0

26

20

2

0

27

25

4

0

28

30

5

0

29

45

30

0

30

22

2

0

31

28

5

0

32

25

5

0

33

21

5

0

34

80

40

1

35

200

40

0

36

220

40

0

37

58

32,5

3

38

141

85

0

39

58

20,5

1

40

37

26

0

41

26

15,5

0

42

30

9,5

0

43

10

8

0

44

40

30

0

45

33

30

0

46

126

11,5

0

47

110

6

0

48

50

4

0

49

190

80

0

50

200

50,5

0

51

91

49

0

52

27,5

24,5

0

53

150

50

1

54

20

15

0

55

50

28

0

56

104,5

73,5

7

57

20

18

0

58

30

25

0

59

30

15

0

60

160

25

4

61

62

10

0

62

213,5

130,5

1

63

146,5

40,5

1

64

76

56,5

0

65

50

30

0

66

97

57

0

67

141,5

95

0

68

166,5

127

0

69

100

33

1

70

73,5

58

1

71

173

67

1

72

162

58,5

1

73

146

125

1

74

134,5

110

1

75

79,5

50

0

76

150,5

50,5

0

77

116,5

53

2

78

97

17

0

79

130,5

22,5

1

80

19

17

0

81

29,5

28,5

0

82

103

103

3

83

155

30

3

84

305

50

3

85

123

18,5

0

86

75

75

0

87

65

65

2

88

70

70

2

89

70

70

0

90

60

60

0

91

190

80

0

92

52

13

1

93

50

20

1

94

24,5

10

1

95

70

34

0

96

65

5

0

97

87,5

87,5

1

98

170

90

4

99

250

120

4

100

77,5

74

5

101

36,5

29

0

102

81

77,5

5

103

31

22

0

104

62

26

3

105

135

60

4

106

135

60

7

107

140

60

6

108

135

60

6

109

155,5

8,5

0

110

218

8,5

0

111

146,5

140

0

112

49

47,5

1

113

32

24

0

114

290

17

0

115

230

150

1

116

200

139

1

117

27,5

15

0

118

47,5

31

1

119

80

31

1

120

80

31

1

121

105

31

1

122

57,5

45

0

123

43,5

26

1

124

23

19

0

125

55

40

1

126

105

31

1

127

105

31

1

128

80

63

1

129

143,5

50

2

130

88,5

88,5

1

131

45,5

45

0

132

104,5

45

1

133

65

15

0

134

45,5

37,5

2

135

45,5

37,5

2

136

70

35

0

137

26

26

1

138

67

13,5

1

139

35

22

0

140

120

54

2

141

60

33

0

142

8

5

0

143

50

33

1

144

87

36

3

145

52

42

1

146

49,5

33

2

147

137,5

33

5

148

140

33

5

149

203

48,5

6

150

107

33

4

151

66

8

1

152

50

40

0

153

12

12

0

154

72

70

3

155

70

50

3

156

80

65

3

157

70

69

3

158

97

70

3

159

91

70

3

160

61,5

27

1

161

73

70

3

162

95

70

3

163

93

80,5

3

164

85

70

3

165

73

70

3

166

65

22

3

167

72

70

3

168

73

72

3

169

60

59

0

170

175

11

0

171

78

5

1

172

40

34

1

173

70

16,5

1

174

48

40

1

175

50,5

21

1

176

52

43,5

1

177

31,5

22

0

178

78

45

1

179

56

45

1

180

55,5

51,5

1

181

22

19

0

182

22

10

0

183

26

22

0

184

19,5

4,5

0

185

23

15

0

186

98

98

0

187

86

15,5

1

188

76

39

1

189

107

15,5

1

190

63

39

1

191

96

96

3

192

100

100

1

193

38

14,5

0

194

17

5

0

195

36,5

8

0

196

48

39,5

1

197

63

27

1

198

39

31

0

199

42

33

0

200

72,5

35

1

201

25,5

14

0

202

49,5

18

0

203

66

13

0

204

71

32

0

205

49

31

0

206

31

21

0

207

41

40

1

208

62

40

1

209

47

46

1

210

23

15

0

211

39

36

0

212

28

27

1

213

31,5

22

1

214

23

22

0

215

176

45

0

216

107

45

1

217

45

27

0

218

34,5

14,5

0

219

38

27

1

220

98

45

1

221

70

45

1

222

98

45

1

223

40

39,5

1

224

69

30

1

225

71,5

71,5

1

226

68,5

50

1

227

88,5

50

1

228

118,5

50

1

229

50

20

0

230

50

30

1

231

62

50

1

232

87

50

1

233

45,5

45

0

234

32

8

0

235

47,5

7

0

236

50

15

0

237

50

20

0

238

45

32

1

239

50,5

44,5

1

240

80

44,5

1

241

88,5

88,5

1

242

54,5

33,5

0

243

70

22,5

1

244

100

22,5

1

245

168,5

50

1

246

32

25

0

247

22

19

0

248

38

30,5

0

249

75

75

0

250

89

89

1

251

74

55

2

252

74

55

2

253

76

45

1

254

38

11

0

255

150

45

1

256

50

21,5

0

257

87

19

0

258

45,5

45,5

0

259

48

25

0

260

123

45

1

261

43

29

0

262

36,5

20

1

263

40

37

0

264

87

14,5

0

265

87

15,5

0

266

91

30

0

267

44

8

0

268

52,5

2

0

269

54,5

2

0

270

62

30

1

271

14

3,5

0

272

45,5

38

0

273

50

6,5

0

274

43

29

0

275

37

20

1

276

107

45

1

277

18

11

1

278

105

50

2

279

125

50

2

280

145

50

2

281

60

50

2

282

80

50

2

283

95

50

1

284

185

40

2

285

20

8

1

286

22,5

7

1

287

22

7

1

288

25

10,5

1

289

24,5

10,5

1

290

24

10

1

291

24,5

10

1

292

24,5

10

1

293

24,5

10

1

294

70

50

0

295

28

24

0

296

94

8,5

0

297

43

8

0

298

47

7

0

299

66

45

1

300

87

45

1

301

93

45

1

302

93

45

1

303

47

9

0

304

107

28

0

305

24

19

2

306

22

14

2

307

116

39

0

308

118

67

0

309

115

96

2

310

60

40

1

311

46

40,5

1

312

109

55

2

313

55

32

0

314

65

55

1

315

51,5

10,5

0

316

50

32

1

317

37,5

28

0

318

80

19,5

0

319

22

9

0

320

20

6

0

321

31

21

0

322

50

30

0

323

36

11

0

324

35

16

0

325

35

16

0

326

33

20

0

327

25

6

0

328

80

35

1

329

30

25

0

330

34,5

15

0

331

35

20

0

332

96

30

0

333

35

20

0

334

63

17

0

335

49

44

0

336

44,5

42

0

337

27

22,5

0

338

40

22

0

339

33,5

19

0

340

40

29

0

341

29

18,5

0

342

36,5

28

0

343

22

8

0

344

20

5

0

345

35

9

0

346

30

15

0

347

19

12,5

0

348

44

28

0

349

26,5

26,5

0

350

25

25

0

351

26,5

20,5

0

352

31

6

0

353

33

15

0

354

47

25

0

355

56

39

1

356

81

39

1

357

20

4

0

358

31

5

0

359

60

5,5

0

360

20

4

0

361

31,5

11

0

362

31,5

16

0

363

25

4,5

0

364

32

13

0

365

20

8

0

366

20

5

0

367

35

35

0

368

35

18

0

369

35

35

0

370

20

4

0

371

50

30

1

372

50

30

1

373

100

30

0

374

100

30

0

375

50

40

0

376

13

9

0

377

35

6,5

0

378

18

9

0

379

26

9

0

380

28

11

0

381

21,5

11

0

382

24

11,5

0

383

37

12,5

0

384

40

16

0

385

25

3

0

386

25

3

0

387

30

4,5

0

388

37,5

3,5

0

389

24

18

0

390

20

3,5

0

391

40

3,5

0

392

60

5,5

0

393

125

10

0

394

46

46

1

395

37,5

3,5

0

396

31

7,5

0

397

22,5

22,5

0

398

44

25

0

399

45

4,5

0

400

39,5

7

0

401

32

7

0

402

45

17

0

403

45

17

0

404

41,5

5

0

405

24

10

0

406

60

43

0

407

37

30

0

408

30

27

0

409

20

20

0

410

20

20

0

411

41

21,5

0

412

40

20

0

413

68

30

0

414

50,5

50,5

1

415

50,5

50,5

1

416

90

70

2

417

72

62

1

418

46

40

0

419

88

10,5

0

420

37

27

0

421

49

27

0

422

47

20

0

423

43

42,5

1

424

43

42,5

1

425

16

16

0

426

42

9,5

0

427

35

3

0

428

62

35

0

429

44,5

27

0

430

36,5

19

0

431

27

11

0

432

30

9,5

0

433

35

8,5

0

434

35

19

0

435

35

19

0

436

76

24

0

437

76

24

0

438

76

35

0

439

76

35

1

440

76

24

0

441

54

39

0

442

50

37,5

0

443

85

40

1

444

83

16

0

445

45

28

1

446

26

12

1

447

34

21

2

448

26

21

1

449

85

85

1

450

76

24

0

451

60

60

1

452

60

25

1

453

45

45

1

454

32,5

18

1

455

120

49

0

456

80

49

0

457

67,5

29

0

458

65,5

27,5

0

459

78

9

0

460

49,5

7,5

0

461

42,5

27

0

462

49,5

36

0

463

43,5

36

0

464

41

33

0

465

41

36

0

466

56

38,5

0

467

28

25

0

468

25

18

0

469

35,5

27,5

1

470

31,5

25

0

471

29

18

0

472

19

10

0

473

38

31

0

474

41

32

0

475

48

25

0

476

29

16

0

477

64

9

26

478

50,5

13

0

479

190

50

3

480

20

7,5

0

481

27

27

0

482

30

30

1

483

37,5

29,5

0

484

39,5

28,5

0

485

20

15,5

0

486

31,5

25,5

0

487

23,5

9,5

0

488

39

30,5

0

489

39

27,5

0

490

38

24,5

1

491

200

50

0

492

140

60

2

493

120

50

1

494

120

40

1

495

140

140

1

496

32

11

0

497

72,5

13

0

498

61,5

13

0

499

9

6,5

0

500

13,5

9

0

501

10

9,5

0

502

70

35

2

503

90

90

1

504

32

32

1

505

18

18

1

506

140

40

0

507

45

45

1

508

150

56

1

509

60

45

0

510

170

33

0

511

73

42,5

0

512

40

8

2

513

110

76

0

514

95

80

1

515

47

25

1

516

46

22

1

517

76

59

3

518

120

52

0

519

125

95

0

520

100

28

1

521

100

28

1

522

45

24

1

523

75

40

2

524

78

58

2

525

20

7,5

0

526

20

4

0

527

46,5

20

0

528

62

19

0

529

45

8

0

530

26,5

22

0

531

38,5

26,5

0

532

47,5

29,5

0

533

42,5

32

0

534

58

27

1

535

32,5

22,5

0

536

12

10

0

537

50

50

0

538

50

35

0

539

21

4,5

0

540

124,5

60

0

541

124,5

60,5

0

542

40

7,5

0

543

44,5

10

1

544

36

33

1

545

47,5

5

0

546

40

17

0

547

40

32

0

548

40

32

0

549

30

6

0

550

109

85

1

551

85

40

0

552

60

30

1

553

104

41

3

554

102

15

0

555

45

43

1

556

60

40

0

557

104

17

0

558

80

62

0

559

45

15

2

560

56,5

50

0

561

50

35,5

0

562

61

35,5

0

563

217

25

2

564

221,5

25

0

565

192

25

2

566

205

25

2

567

205

25

2

568

370

24

10

569

50

28

0

570

60

28

1

571

198

25

3

572

136

25

1

573

160

25

0

574

146

28

0

575

145

25

2

576

61,5

60

0

577

48,5

31

1

578

136

136

1

579

45

12,5

0

580

40

30

0

581

47

42,5

1

582

157

51

0

583

215

45

0

584

73

46,5

1

585

38

10,5

0

586

38

27

0

587

33

20

0

588

182,5

84,5

1

589

261

84,5

0

590

247

59,5

0

591

230

82

3

592

205

23,5

0

593

46

34,5

0

594

230

35

1

595

60

9

3

596

130

16

0

597

48

21

1

598

78

15

0

599

180

25

0

600

60

45

0

601

155

130

0

602

145

60

0

603

300

40

0

604

67

42,5

1

605

60

38,5

1

606

43

42,5

1

607

30

18

0

608

148,5

27,5

0

609

98,5

13

0

610

33,5

33,5

1

611

22,5

22,5

1

612

174,5

92,5

0

613

198

34,5

0

614

100

70

0

615

305

30

6

616

135

64,5

0

617

43

18

0

618

225

188

0

619

225

180,5

0

620

88

35

1

621

95

95

1

622

88

35

1

623

78

18

0

624

44

22

0

625

240,5

80

0

626

22,5

20

0

627

62,5

19

0

628

54

42

0

629

24

18

0

630

24

18

0

631

54

15,5

0

632

52

4,5

0

633

23

23

0

634

37

3,5

0

635

44,5

4,5

0

636

19,5

3,5

0

637

30

4,5

0

638

32

6,5

0

639

39,5

7

0

640

75

18,5

0

641

100

31

1

642

100

5

0

643

31

5

0

644

20

20

0

645

20

20

0

646

38

28

0

647

50

21

1

648

99

12

0

649

125

55

0

650

170

55

0

651

55

55

0

652

39,5

7

0

653

37,5

3,5

0

654

32

4,5

0

655

32

10

0

656

32

4

0

657

63,5

6

0

658

80,5

40

0

659

77,5

40

0

660

33,5

26,5

1

661

58

16

0

662

22,5

15

0

663

34

32

1

664

22

14

1

665

20

10

1

666

34

25

1

667

48

30

0

668

29,5

21

0

669

37

18

1

670

18,5

15

0

671

28

2

0

672

25

25

0

673

62,5

8

0

674

29

20,5

1

675

40

29

2

676

60

35

1

677

60

35

1

678

60

34

1

679

58,5

35

1

680

40

35

0

681

60

35

0

682

60

32

0

683

60

35

0

684

63

35

0

685

63

32

0

686

60

32

0

687

60

23,5

0

688

63

31,5

0

689

63

31,5

0

690

50

28

1

691

50

28

1

692

45

28

1

693

50

27,5

1

694

55

22

1

695

55

22

1

696

50

22

1

697

55

22

1

698

52

19

0

699

52

19

0

700

51

19

0

701

52

19

0

702

25

21,5

0

703

24

18

0

704

28,5

14

0

705

28,5

17,5

0

706

58,5

47

1

707

58,5

47

1

708

57,5

47

1

709

60

37

1

710

60

37

1

711

60

36,5

1

712

60

37

1

713

60

37

1

714

53

40

1

715

53

40

1

716

53

40

1

717

79,5

47

0

718

79,5

47

0

719

77,5

48,5

0

720

77,5

48,5

0

721

74

40,5

1

722

74

54

1

723

72

52

1

724

40

39

1

725

40

39

1

726

40

39

1

727

67

20

0

728

67

20

0

729

67

20

0

730

65

18

0

731

74

74

1

732

74

74

1

733

72

72

1

734

56,5

40

1

735

56,5

40

1

736

56,5

40

1

737

70,5

40

1

738

70,5

40

1

739

70,5

40

1

740

70,5

40

1

741

70,5

40

1

742

70,5

40

1

743

25,5

14

0

744

25,5

14

0

745

43,5

10

0

746

70,5

19

1

747

14,5

14

0

748

14,5

14

0

749

54

47

1

750

54

47

1

751

51,5

44,5

1

752

47

20

0

753

44,5

15

0

754

67

20

0

755

64,5

15

0

756

30,5

12

0

757

30

12

0

758

24

9

0

759

24

9

0

760

60

60

1

761

61,5

14

0

762

61,5

14

0

763

44

40,5

0

764

43,5

36,5

1

765

87

10,5

0

766

44

17

0

767

64

19

0

768

57,5

33,5

0

769

59,5

33

0

770

25

21,5

0

771

30

27

0

772

19,5

16

0

773

50

10,5

0

774

54,5

54,5

1

775

50

24

0

776

59

36,5

1

777

50

27

1

778

94

32,5

0

779

58

48

1

780

24,5

18

0

781

59

40

1

782

50

40,5

1

783

21,5

14

0

784

19,5

4,5

0

785

19,5

4,5

0

786

36,5

11,5

0

787

36

7

0

788

20

17

0

789

31

19

0

790

28

19

0

791

50

7

0

792

33

16,5

0

793

32

15

0

794

32

18

0

795

140

33

5

796

60

33

2

797

45

40

1

798

32,5

30

0

799

35

30,5

0

800

300

60

0

801

251,5

120

0

802

251,5

120

0

803

50

50

0

804

50

20

0

805

100

40

0

806

30

3

0

807

40

3

0

808

20

3

0

809

26

12

0

810

38

14

0

811

52

32

0

812

34

14

0

813

28

20

0

814

24

11

0

815

30

10

0

816

40

25

0

817

16,5

15,5

0

818

170

52

0

819

220

52

0

820

170

58

1

821

83

17,5

2

822

33

30

1

823

28,5

22

0

824

120

90

0

825

192,5

170

1

826

100

86,5

1

827

100

58

1

828

204

100

3

829

118

75

1

830

180

60

0

831

90

51

2

832

230

58

1

833

78

45

1

834

29,5

19

0

835

161,5

21

0

836

105

13

0

837

167,5

103

2

838

82

45

4

839

30

19

1

840

178

45

2

841

91

34

2

842

75

75

1

843

151,5

52

0

844

173,5

128

8

845

18,5

13

0

846

168,5

168

1

847

245

10

0

848

245

17

0

849

209

208,5

1

850

119,5

68,5

1

851

80

53,5

0

852

20

20

1

853

22

16,5

1

854

23,5

18

0

855

44,5

21

0

856

25

8,5

0

857

30

14,5

0

858

30

12,5

0

859

16

4

0

860

17,5

13

0

861

95

68

3

862

100

27

3

863

40

15,5

0

864

46

40,5

1

865

40,5

36

1

866

50

22,5

0

867

108

22,5

0

868

45

22

0

869

45

5

0

870

48

26

1

871

56,5

25

0

872

80

49

0

873

120

49

0

874

35

28,5

1

875

24

11,5

0

876

16

10,5

0

877

80

40

0

878

53

27,5

0

879

108

22,5

0

880

21

9

0

881

25

7,5

0

882

18

9

0

883

45

19,5

1

884

18

5

0

885

20

10

0

886

40

32

0

887

98

35

1

888

60

50

0

889

76

7,5

0

890

47,5

6,5

0

891

90

40

1

892

330

46,5

3

893

271

49,5

3

894

235

24

3

895

250

26

3

896

55

47

0

897

110,5

51

0

898

120

16

0

899

121

112

0

900

95

86

0

901

58

40

0

902

141

53

0

903

42

35

0

904

20

7

0

905

24,5

11,5

0

906

200

100

0

907

25

20

1

908

120

100

0

909

250

180

1

910

19

9,5

0

911

175

87

1

912

56

56

0

913

49

26

3

914

40

25

3

915

33,5

33,5

1

916

47,5

15

0

917

75

50

0

918

50

30

0

919

6

6

0

920

10

10

0

921

16

16

0

922

18

18

0

923

20

20

0

924

21,5

21,5

0

925

22

22

0

926

28

28

0

927

36

36

0

928

61

6

0

929

82

40

0

930

33,5

26

1

931

57

14,5

0

932

25

14

0

933

21

14

0

934

25

2

0

935

34

25

1

936

110

100

0

937

210

44

0

938

59

45

0

939

35

35

0

940

117

11

0

941

116

11

0

942

116

11

0

943

20

20

0

944

25

25

0

945

50

50

0

946

67

35

0

947

40

40

0

948

115

15

0

949

115

5,5

0

950

34

10,5

0

951

100

3

0

952

29

12

0

953

29,5

11,5

0

954

26

9,5

0

955

28

11,5

0

956

32

19

0

957

20

10

0

958

42

11

0

959

32

24

0

960

53

11

0

961

27

14,5

0

962

26

20

0

963

24

2

0

964

35

2

0

965

44

2

0

966

60

3

0

967

29

4,5

0

968

35

4,5

0

969

41

13

0

970

20

8

0

971

24

10

0

972

78

4

0

973

37

12

0

974

39,5

14,5

0

975

27

9

0

976

27

11

0

977

27

14,5

0

978

26,5

18

0

979

26,5

20

0

980

27,5

24

0

981

26

12

0

982

28

2,5

0

983

100

4,5

0

984

80

4,5

0

985

31

31

0

986

40

3

0

987

32

10

0

988

60

35

0

989

35

21

0

990

45

31

0

991

44

25

0

992

33

28

1

993

30

26,5

1

994

33

25

1

995

33

20

1

996

30

20

1

997

33

20

1

998

30

30

1

999

30

30

1

1000

30

30

1

1001

33

30

2

1002

33

30

2

1003

36

33

1

1004

33,5

30

1

1005

33

30

1

1006

39

29,5

1

1007

39

29,5

1

1008

39

29,5

1

1009

22

14

0

1010

32,5

27,5

1

1011

31,5

27

1

1012

20

17

0

1013

39

39

1

1014

30

30

1

1015

50

25

1

1016

30

30

2

1017

50

25

1

1018

50

33

1

1019

30

30

1

1020

40

22

1

1021

32

32

1

1022

40

40

1

1023

50

16

1

1024

70

16

1

1025

32

16

1

1026

50

16

1

1027

175

16

2

1028

80

80

1

1029

120

120

1

1030

40

40

5

1031

90

77,5

1

1032

55

20,5

3

1033

91,5

20,5

3

1034

21

10

0

1035

29

8,5

0

1036

25

18

0

1037

30

30

1

1038

40

40

1

1039

25

16

1

1040

37

16

1

1041

30

30

2

1042

90,5

30

0

1043

80

54

1

1044

40

27

0

1045

50

25

0

1046

50

30

0

1047

40

40

0

1048

40

40

0

1049

50

50

0

1050

60

60

0

1051

65

50

0

1052

80

80

0

1053

125

55

0

1054

120

120

1

1055

176

25

3

1056

96

25

1

1057

32

31

1

1058

39

25

1

1059

51,5

16

1

1060

38

24

0

1061

31

19

0

1062

137

65

0

1063

52

47

0

1064

33

7

0

1065

80

80

0

1066

56

20,5

0

1067

41

27

0

1068

130

33,5

0

1069

139,5

21,5

1

1070

119,5

21,5

1

1071

32

6,5

0

1072

21,5

12,5

0

1073

128

44,5

1

1074

47,5

8

0

1075

47

10

0

1076

50

15

0

1077

100

50

1

1078

50

12

0

1079

55

45,5

0

1080

150

45

1

1081

150

53

1

1082

34

26,5

1

1083

59

19

1

1084

44

26,5

1

1085

54

26,5

1

1086

94

19

1

1087

48

36,5

1

1088

43

19

1

1089

56

36,5

1

1090

51

19

1

1091

22

22

0

1092

27

22

0

1093

32

26

0

1094

42

22

0

1095

39

37,5

0

1096

70,5

63

0

1097

30

7

0

1098

38

7

0

1099

62

7

0

1100

50

24

0

1101

70

24

0

1102

14

5,5

0

1103

65

42

1

1104

69

31,5

1

1105

21,5

16,5

0

1106

50

50

4

1107

65

50

4

1108

85

50

4

1109

121

50

4

1110

141

50

4

1111

166

50

4

1112

191

50

1

1113

55

50

1

1114

100

50

1

1115

120

50

1

1116

140

50

1

1117

165

50

1

1118

190

50

1

1119

101

101

5

1120

128,5

45

1

1121

153,5

45

1

1122

152

7

0

1123

101

50

2

1124

121

50

2

1125

141

50

2

1126

136,5

34

0

1127

166

60

4

1128

197

60

1

1129

216

60

1

1130

165

60

1

1131

190

60

1

1132

216

50

1

1133

178,5

43

1

1134

191

50

1

1135

153,5

43

1

1136

166

50

1

1137

191

50

1

1138

216

50

1

1139

47,5

8

0

1140

79,5

47

2

1141

266

50

1

1142

27,5

18,5

0

1143

190

80

0

1144

158

27,5

2

1145

149

65

2

1146

152

27,5

2

1147

156,5

40

3

1148

69

12,5

1

1149

79

12,5

1

1150

34

20

1

1151

44

20

1

1152

34

20

1

1153

44

20

1

1154

84

14

1

1155

94

14

1

1156

43

19

1

1157

51

19

1

1158

84

24

1

1159

56

35

2

1160

66

35

2

1161

60

14

1

1162

27

13

0

1163

27

4

0

1164

69

14

1

1165

56

35

1

1166

220

120

1

1167

210

102

0

1168

48

32,5

1

1169

138

81

3

1170

194

82

1

1171

69

32

1

1172

55

14

1

1173

73

32,5

1

1174

83

10,5

1

1175

58

32,5

1

1176

98

10,5

1

1177

225,5

65

4

1178

154,5

65

2

1179

155,5

27,5

1

1180

204,5

65

4

1181

184

52,5

4

1182

184

52,5

4

1183

184

121

2

1184

121

81

2

1185

190

80

0

1186

163

52,5

4

1187

142

45

2

1188

142

70

2

1189

200

24

5

1190

48

48

1

1191

30

30

1

1192

50

50

1

1193

55

20

1

1194

67

20

1

1195

75

20

1

1196

40

16,5

1

1197

73

25

1

1198

87

20

1

1199

36

22

0

1200

52

45

1

1201

157,5

52

1

1202

96

52

1

1203

74

52

1

1204

158

52

1

1205

85

52

1

1206

73

25

1

1207

73

25

1

1208

68

25

1

1209

146

50

2

1210

85,5

50

1

1211

50

15

0

1212

50

20

0

1213

50

25

0

1214

45

35

1

1215

47

10

0

1216

60,5

60

2

1217

51

13,5

0

1218

60

18

1

1219

49

8,5

0

1220

101,5

60

1

1221

51

21

0

1222

80,5

60

2

1223

55

55

1

1224

50

30

1

1225

150,5

60

2

1226

80,5

80,5

3

1227

120,5

54

1

1228

51

13,5

0

1229

55

50

1

1230

80

60

2

1231

75

50

1

1232

150

53

1

1233

115

50

1

1234

135

50

1

1235

155

50

1

1236

175

50

1

1237

195

50

1

1238

125,5

60

2

1239

180,5

60

2

1240

189

54

6

1241

75

75

1

1242

74

74

0

1243

70

57

9

1244

70

67

9

1245

77

70

9

1246

117

70

9

1247

70

70

10

1248

70

70

9

1249

70

67

9

1250

80

49

12

1251

75

70

3

1252

75

70

3

1253

80

47

10

1254

80

55

10

1255

85

80

10

1256

75

70

3

1257

70

50

3

1258

70

50

3

1259

82

70

9

1260

92

70

9

1261

102

70

9

1262

172

70

13

1263

156

70

3

1264

67

51,5

3

1265

59

9

0

1266

70

23

4

1267

30

30

0

1268

50

45

0

1269

100

45

0

1270

100

45

0

1271

125

55

0

1272

125

55

0

1273

200

90

0

1274

88

79

7

1275

59

59

0

1276

130

28,5

3

1277

28,5

25

0

1278

134,5

50

1

1279

135,5

50

3

1280

90,5

50

1

1281

145,5

65

4

1282

47

11

0

1283

28,5

25

0

1284

145,5

65

4

1285

50

24,5

0

1286

27,5

11

0

1287

46

46

0

1288

26

19

0

1289

50

24

0

1290

40

36

0

1291

25

16,5

0

1292

40

18

0

1293

73,5

24

0

1294

50

10

0

1295

50

14

0

1296

120

30

2

1297

140

60

2

1298

160

60

3

1299

171,5

100

0

1300

39,5

33

0

1301

100

17,5

2

1302

56,5

8

0

1303

40

40

0

1304

77

40

0

1305

180

110

1

1306

160

136

2

1307

70

62

0

1308

99,5

77

0

1309

52,5

24,5

0

1310

120

50

1

1311

140

60

2

1312

33

10,5

0

1313

170

60

0

1314

55

34

2

1315

61,5

31,5

0

1316

80

60

0

1317

97

50

1

1318

67

50

1

1319

30

30

0

1320

20

20

0

1321

29

2,5

0

1322

20

3

0

1323

53

30

0

1324

27

15

0

1325

23

2

0

1326

14

13,5

0

1327

35

7

0

1328

22

4

0

1329

34

15

0

1330

50

35

0

1331

16

16

0

1332

11

10,5

0

1333

42

12

0

1334

34

10

0

1335

40

36

0

1336

40

8

0

1337

25

2,5

0

1338

14,5

12,5

0

1339

17

6,5

0

1340

28

8

0

1341

26,5

6

0

1342

50

26

2

1343

76

50

2

1344

81

15

0

1345

19,5

10

0

1346

50

16

0

1347

92,5

70

2

1348

40

3

0

1349

30

3

0

1350

48

48

1

1351

48

48

1

1352

47,5

18

0

1353

48

43,5

3

1354

110

49,5

1

1355

88

52,5

0

1356

18

7

0

1357

50

25

0

1358

50

25

0

1359

35,5

11

0

1360

28

24,5

1

1361

55

19,5

0

1362

24

19

0

1363

15

12

0

1364

52

24

0

1365

15

2

0

1366

30

3

0

1367

40

3

0

1368

50

5

0

1369

24

24

0

1370

29

29

0

1371

12

12

1

1372

20

10

1

1373

20

10

1

1374

15

15

1

1375

20

20

1

1376

25

25

1

1377

25

25

1

1378

30

15

1

1379

30

15

1

1380

30

20

1

1381

30

30

1

1382

30

30

1

1383

30

30

1

1384

40

20

1

1385

40

20

1

1386

40

20

1

1387

40

25

1

1388

40

40

1

1389

40

40

1

1390

40

40

1

1391

50

20

1

1392

50

30

1

1393

50

50

1

1394

50

50

1

1395

50

50

1

1396

80

50

1

1397

60

40

1

1398

60

40

1

1399

60

40

1

1400

60

60

1

1401

60

60

1

1402

60

60

1

1403

80

40

1

1404

80

40

1

1405

80

60

1

1406

100

30

1

1407

100

40

1

1408

150

40

1

1409

10

10

0

1410

10

10

0

1411

15

10

0

1412

15

12

0

1413

15

15

0

1414

20

15

0

1415

38

18

0

1416

20

20

0

1417

25

20

0

1418

36

20

0

1419

40

20

0

1420

28

25

0

1421

30

25

0

1422

30

30

0

1423

50

30

0

1424

31,5

28

0

1425

50

30

0

1426

40

40

0

1427

60

40

0

1428

80

50

0

1429

100

50

0

1430

15

2

0

1431

30

2

0

1432

40

2

0

1433

50

2

0

1434

25

3

0

1435

30

3

0

1436

40

3

0

1437

50

3

0

1438

30

4

0

1439

35

4

0

1440

40

4

0

1441

50

4

0

1442

70

4

0

1443

30

5

0

1444

40

5

0

1445

45

5

0

1446

50

5

0

1447

50

5

0

1448

60

5

0

1449

100

5

0

1450

40

6

0

1451

50

6

0

1452

60

6

0

1453

80

6

0

1454

60

8

0

1455

80

8

0

1456

100

8

0

1457

140

8

0

1458

160

8

0

1459

50

10

0

1460

60

10

0

1461

80

10

0

1462

100

10

0

1463

120

10

0

1464

160

10

0

1465

100

12

0

1466

120

12

0

1467

160

12

0

1468

60

25

0

1469

70

25

0

1470

80

25

0

1471

80

35

0

1472

40

25

0

1473

40

30

0

1474

45

30

0

1475

70

50

0

1476

200

10

0

1477

180

97,5

0

1478

166

128

0

1479

30

10

0

1480

122

30

0

1481

125

20

0

1482

100

30

2

1483

125

12

0

1484

170

20

0

1485

65

28

3

1486

87

36

3

1487

52

42

1

1488

140

33

5

1489

60

33

2

1490

16

13,5

0

1491

27,5

27

1

1492

125

53

0

1493

56

56

1

1494

60

59

0

1495

49,5

33

2

1496

175

10

0

1497

70

35

0

1498

46

40

0

1499

137,5

33

5

1500

140

33

5

1501

81

11,5

0

1502

55,5

35

0

1503

32

14

0

1504

42

11,5

0

1505

43

38,5

0

1506

80

38

0

1507

19,5

18

0

1508

25

21

0

1509

48

44

1

1510

63

55,5

1

1511

137

10

0

1512

87

55

0

1513

34

26,5

1

1514

32

32

1

1515

62

6

0

1516

81,5

40

0

1517

56,5

14,5

0

1518

21,4

14,5

0

1519

21,5

14,5

0

1520

80

32

0

1521

40

39

1

1522

58,5

47

1

1523

53

40

1

1524

25,5

18

0

1525

19

4,5

0

1526

36,5

34,5

0

1527

64

64

0

1528

111,5

77,5

0

1529

103

30

0

1530

32

30

0

1531

42

38

0

1532

62

58

0

1533

32

22

1

1534

56

37,5

0

1535

108

15

3

1536

125

25

0

1537

125

35

0

1538

95

41

1

1539

43,5

32

1

1540

64

12

2

1541

49

18

2

1542

26

19,5

0

1543

65,5

13,5

0

1544

65,5

13,5

0

1545

66

6,5

0

1546

62,5

38

0

1547

66

66

1

1548

66

40

1

1549

86

55

1

1550

66

66

1

1551

66

45

1

1552

60

60

1

1553

75

75

1

1554

71,5

50

0

1555

20

10

0

1556

37,5

18

0

1557

62

50

0

1558

50

30

0

1559

120

54

2

1560

26

19,5

0

1561

25

18,5

0

1562

25

19

0

1563

16

10

0

1564

45

44

0

1565

25

4,5

0

1566

40

4

0

1567

180

77

1

1568

68

35,5

0

1569

75

75

1

1570

77

50

1

1571

105

50

1

1572

127

50

1

1573

147

50

1

1574

184

50

1

1575

61

50

1

1576

76

50

1

1577

104

50

1

1578

126

50

1

1579

146

50

1

1580

81

13,5

0

1581

43

13,5

0

1582

25,5

25

0

1583

35

27

0

1584

81,5

14,5

0

1585

82

48

0

1586

82

17,5

0

1587

78

43

1

1588

15

12

0

1589

61

61

1

1590

110

16

0

1591

45

45

0

1592

50

50

0

1593

43

43

0

1594

25

22,5

0

1595

35

35

0

1596

49

44

0

1597

22

9

0

1598

43,5

36

0

1599

80

19,5

0

1600

36,5

28

0

1601

37,5

25

0

1602

63

17

0

1603

35

16

0

1604

33

20

0

1605

40

29

0

1606

29

18,5

0

1607

22

8

0

1608

20

5

0

1609

34,5

15

0

1610

25

6

0

1611

35

9

0

1612

25

25

0

1613

72

37

0

1614

67

60

1

1615

158

52

1

1616

40

3

0

1617

37,5

5

0

1618

28

2,5

0

1619

23

23

0

1620

30

15

0

1621

60

5,5

0

1622

25,5

6

0

1623

29

9,5

0

1624

36

16,5

0

1625

37,5

23

0

1626

80

1,5

0

1627

30

7

0

1628

37

3,5

0

1629

25

3

0

1630

19,5

3,5

0

1631

30

4,5

0

1632

39,5

7

0

1633

54

42

0

1634

20

20

0

1635

44,5

4

0

1636

31

5

0

1637

24

18

0

1638

60

5,5

0

1639

32

6,5

0

1640

24

10

0

1641

21,5

11

0

1642

20

20

0

1643

37

12,5

0

1644

21,5

11,5

0

1645

45

17

0

1646

26

9,5

0

1647

28

11,5

0

1648

38

5

0

1649

20

10

0

1650

35

21

0

1651

40

20

0

1652

27

14,5

0

1653

32

19

0

1654

26

20

0

1655

32

24

0

1656

80

4,5

0

1657

42

11

0

1658

53

11

0

1659

30

27

0

1660

42

13

0

1661

37,5

6

0

1662

29,5

11,5

0

1663

60

2

0

1664

40

2

0

1665

42

34

2

1666

120

50

1

1667

140

60

2

1668

120

65

1

1669

17

5,5

0

1670

30

19

1

1671

65,5

27,5

0

1672

82

45

4

1673

50

47

0

1674

48

9

0

1675

50

14

0

1676

50

11

0

1677

66

50

1

1678

34

12

0

1679

33

28

1

1680

45

45

1

1681

49

38

2

1682

45

20

1

1683

37

26

0

1684

35

15

0

1685

64

39

0

1686

64

7,5

0

1687

59

40

0

1688

100

50

0

1689

94

10,5

0

1690

30

15

0

1691

25

18

0

1692

14

12

0

1693

60

17

0

1694

35

20

0

1695

96

30

0

1696

36,5

28

0

1697

31

21

0

1698

25

15

0

1699

35

20

0

1700

33

20

0

1701

37,5

25

0

1702

36

11

0

1703

80

19,5

0

1704

40

29

0

1705

29

18,5

0

1706

25

6

0

1707

20

5

0

1708

22

8

0

1709

24,5

15

0

1710

36,5

19

0

1711

37,5

28

0

1712

173

50,5

0

1713

203

50,5

0

1714

73

72

2

1715

72

50

1

1716

25

20

0

1717

50

25

0

1718

30

3

0

1719

30

8

0

1720

26

12

0

1721

40

30

0

1722

20

18

0

1723

43

40

0

1724

40

3

0

1725

29

28

0

1726

29

16

0

1727

29

28

0

1728

50

46

0

1729

130

92

1

1730

67

58

0

1731

77

62

0

1732

97

16

0

1733

60

8

0

1734

25

9

0

1735

31,5

27

0

1736

31,5

28

0

1737

34,5

13

0

1738

60

14,5

1

1739

24,5

10

1

1740

20

4

0

1741

31,5

11

0

1742

32

10

0

1743

100

84

0

1744

30

14

0

1745

13

12

0

1746

33

20

0

1747

20

8

0

1748

28

4

0

1749

29

16

0

1750

29

28

0

1751

44

23,5

0

1752

43

40

0

1753

52

19

0

1754

60

32

0

1755

60

35

0

1756

23,5

18

0

1757

65

10

0

1758

25,5

17,5

0

1759

60

37

1

1760

69

65

1

1761

55

22

1

1762

50

27,5

1

1763

60

35

1

1764

34

25,5

1

1765

79

42

0

1766

55

14

0

1767

16,5

15,5

0

1768

30

13

0

1769

30

13

0

1770

54,5

40

1

1771

71

40

1

1772

70

54,5

1

1773

71

70

1

1774

99

54,5

1

1775

99

71

1

1776

120

54,5

1

1777

120

71

1

1778

57,5

47,5

1

1779

50

45

1

1780

24

21

0

1781

21

18,5

0

1782

125

25

2

1783

58

58

4

1784

43

36,5

1

1785

80

53

1

1786

80,5

78,5

1

1787

60

15,5

0

1788

60

21,5

0

1789

53,5

11

0

1790

15

15

0

1791

56

33

1

1792

28

24,5

0

1793

24,5

19

0

1794

60

40

2

1795

62,5

6

0

1796

35

15

0

1797

60

9

1

1798

73

44,5

0

1799

54

50

1

1800

54

50

0

1801

38,5

36

1

1802

30

15

0

1803

44

26,5

0

1804

41,5

9,5

0

1805

27,5

7

0

1806

30

15

0

1807

100

93,5

1

1808

100

69

1

1809

120

69

1

1810

58

58

1

1811

80

40

1

1812

25,5

6

0

1813

29

9,5

0

1814

36

16,5

0

1815

108

16

3

1816

53

46

2

1817

19

4,6

0

1818

32

25

0

1819

40

35

0

1820

29

19

0

1821

16

11

1

1822

28

4,5

0

1823

35

2

0

1824

108

95

2

1825

107

95

2

1826

36

27,5

1

1827

36

23

1

1828

42

24,5

1

1829

58

20

0

1830

25

2

0

1831

25

25

0

1832

33

24

0

1833

120

50

0

1835

130

60

0

1836

80

40

0

1837

48

33

1

1838

82

58

1

1839

39

36

0

1840

81,5

45

0

1841

79

42

0

1842

62,5

6

0

1843

34

26

2

1844

141

80

1

1845

57

14,5

0

1846

177

177

1

1847

55

40

2

1848

72,5

68,5

0

1849

68

43

0

1850

10

10

0

1851

50

50

1

1852

50

45

1

1853

108

4

0

1854

108

54

0

1855

36

11,5

0

1856

31

11,5

0

1857

67,5

39,5

0

1858

28

18,5

0

1859

33

26

1

1860

65

40

0

1861

40

35

0

1862

26

26

0

1863

22

14,5

0

1864

25

14

0

1865

57

14,5

0

1866

103

22

3

1867

160

103

1

1868

70

40

1

1869

60

35

0

1870

52

18,5

0

1871

60

35

1

1872

50

27,5

1

1873

55

21,5

1

1874

24

9,5

1

1875

82

52

2

1876

48,5

20

2

1877

53

53

1

1878

30

30

3

1879

42

12

0

1880

40

25

0

1881

12

2

0

1882

25

25

0

1883

56

8

0

1884

45

25

0

1885

125

25

0

1886

125

35

0

1887

86

50,5

0

1888

26

21

0

1889

25

5

0

1890

127

51,5

0

1891

63,5

6,5

0

1892

22

14,5

0

1893

57

14,5

0

1894

79,5

40

0

1895

25

14

0

1896

22

14

0

1897

34

26

1

1898

34

32

1

1899

36

33

0

1900

20

7,5

0

1901

40

7,5

0

1902

57

10

0

1903

39,5

9,5

0

1904

34

20

0

1905

40

28

0

1906

19

6,5

0

1907

70

50

0

1908

44

23,5

0

1909

82,5

26,5

0

1910

50

25

0

1911

44

40

0

1912

60,5

40

0

1913

50

50

0

1914

53

25

1

1915

78

13,5

0

1916

140

55

0

1917

36

20

0

1918

24

10

1

1919

30

15

1

1920

29,5

17

1

1921

59,5

44

0

1922

94,5

60

0

1923

70

29,5

2

1924

50

15

2

1925

48

48

1

1926

30

30

0

1927

30

30

0

1928

52

30

0

1929

82,5

73

0

1930

45

4

0

1931

50

25

1

1932

30

30

1

1933

14

14

1

1934

47

40

0

1935

21,5

13,5

0

1936

100

27,5

0

1937

72,5

50

1

1938

20

10

0

1939

25

14

0

1940

40

40

1

1941

40

16

1

1942

27

27

1

1943

30

7

0

1944

26

4,5

0

1945

6

6

0

1946

20,5

11,5

0

1947

22,5

6,5

1

1948

24,5

10

1

1949

56

5,5

0

1950

31

31

0

1951

125

35

0

1952

158

16

4

1953

8

8

1

1954

36

28

0

1955

22,5

6

0

1956

55

18

0

1957

104

70

1

1958

60

60

1

1959

70

16

3

1960

33

33

1

1961

40

40

1

1962

25

25

1

1963

50

30

1

1964

100

100

1

1965

163

53

0

1966

160

39

0

1967

110

45

0

1968

32,5

22,5

0

1969

50

45

0

1970

50

26

0

1971

50

20

0

1972

140

50

3

1973

140

55

0

1974

34

26

2

1975

22

14,5

0

1976

57

14,5

0

1977

25

14

0

1978

85

70

1

1979

115

70

1

1980

150

5

0

1981

37

36

1

1982

42

40

1

1983

90

43

0

1984

22,5

22,5

1

1985

78

35,5

1

1986

17

7

0

1987

103

18

3

1988

125

35

0

1989

125

35

0

1990

108

16

3

1991

59,5

18

0

1992

70

70

1

1993

70

70

1

1994

90

49,5

1

1995

90

49,5

1

1996

70

70

1

1997

65

45

1

1998

60

60

1

1999

106

14,5

1

2000

120

50

0

2001

120

50

0

2002

140

73,5

0

2003

140

67

0

2004

17,5

14,5

1

2005

35

18

1

2006

116

116

1

2007

140

50

0

2008

22

14,5

0

2009

57

14,5

0

2010

80

42

0

2011

42

41,5

0

2012

62,5

6

0

2013

24

6

0

2014

24

14

0

2015

34

26

1

2016

34

34

3

2017

60

32

1

2018

60

32

1

2019

20

19

0

2020

84,5

16

0

2021

84,5

16

0

2022

57

14,5

1

2023

31

0,5

0

2024

80

1,5

0

2025

60

30

2

2026

40

30

0

2027

159,5

21

3

2028

192,5

60

0

2029

192,5

60

0

2030

192,5

60

0

2031

192,5

60

0

2032

120

34

0

2033

53

30

1

2034

25

15

1

2035

88

25

1

2036

21

21

1

2037

31,5

8,5

0

2038

32

22

3

2039

70

56

0

2040

170

60

0

2041

40

35

0

2042

68

40

0

2043

110

55

0

2044

150

10

0

2045

100

12

0

2046

75

38

0

2047

46,5

20

0

2048

69

10

0

2049

60

25

0

2050

100

20

0

2051

20

18,5

0

2052

70

30

1

2053

24

10,5

0

2054

80

30,5

0

2055

28

25,5

1

2056

29

11

0

2057

60

18

0

2058

70

55

0

2059

86,5

14,5

0

2060

30

7,5

0

2061

43

6

0

2062

24

8

0

2063

29,5

20

0

2064

90

90

9

2065

38

38

1

2066

50

43

0

2067

50

40

0

2068

40,5

13

0

2069

30

30

1

2070

60

24

1

2071

50

22

1

2072

55

24

1

2073

72,5

24

1

2074

135

49

0

2075

176

88,5

1

2076

68

68

4

2077

132

76

0

2078

42

5

0

2079

73

3

0

2080

73

35,5

0

2081

59

15,5

0

2082

71,5

40,5

1

2083

22

22

0

2084

20,5

10

0

2085

88

24,5

0

2086

20

11

0

2087

136

75,5

1

2088

180

40

0

2089

108

15

1

2090

115

20

0

2091

115

30

0

2092

200

40

3

2093

201

56,5

3

2094

45

25

1

2095

45

45

1

2096

185

38

0

2097

187

49,5

0

2098

100,5

76,5

0

2099

170

60

0

2100

140

58

0

2101

240

74

3

2102

125

25

0

2103

170

70

0

2104

75

75

2

2105

63

48

1

2106

29,5

23,5

0

2107

26,5

16

2

2108

30

15,5

2

2109

146

11,5

0

2110

90

22,5

0

2111

140

58

0

2112

78,5

58

1

2113

183,5

70

3

2114

18

12

0

2115

70

30,5

0

2116

61

18

0

2117

17,5

15

1

2118

50

35

0

2119

62,5

24

0

2120

120

40

0

2121

33

26

1

2122

20

6

0

2123

30

8

0

2124

20

6

0

2125

52

13

0

2126

72

55

0

2127

40

20

0

2128

37

7

0

2129

40,5

6,5

0

2130

58

20

0

2131

50

4

0

2132

50

8

0

2133

120

12

0

2134

240

56,5

0

2135

240

53,5

0

2136

60,5

15

0

2137

30

30

1

2138

33

20

1

2139

33

26

1

2140

140

8

0

2141

160

8

0

2142

111

75

8

2143

75

75

6

2144

19

19

1

2145

42

32,5

1

2146

31,5

29

1

2147

25

25

1

2148

60

36

1

2149

29,5

15

0

2150

75

75

6

2151

56

38

0

2152

67,5

32

0

2153

159,5

72

0

2154

112

36,5

0

2155

92

43

1

2156

112

4

0

2157

115

4

0

2158

118

4

0

2159

126

4

0

2160

130

4

0

2161

133

4

0

2162

133

6

0

2163

142

4

0

2164

148

4

0

2165

33

28

1

2166

33

20

1

2167

30

30

1

2168

52

52

1

2169

60

9,5

0

2170

29,5

8

0

2171

218

30

0

2172

60

27

2

2173

62,5

19,5

0

2174

30,5

26

0

2175

169

113

3

2176

33

26

1

2177

28

14,5

0

2178

57

14,5

0

2179

61

6

0

2180

21

14,5

0

2181

80,5

40

0

2182

49

29,5

3

2183

72,5

36

1

2184

40

23

0

2185

60

18

0

2186

60

8

0

2187

21,5

21

0

2188

75

50

0

2189

62,5

12

0

2190

235,5

30,5

1

2191

88,5

86

0

2192

50

8,5

0

2193

39,5

28,5

0

2194

35

14

1

2195

92

92

19

2196

33,5

20

0

2197

218

30

0

2198

105

14

0

2199

47

28

0

2200

47

45

0

2201

104

14

0

2202

28

24

0

2203

25

25

0

2204

72

22

1

2205

115

92

0

2206

54

31

0

2207

37,5

11

0

2208

37,5

20

0

2209

37,5

27

0

2210

54

23

1

2211

63

23

1

2212

81,5

23

1

2213

51,5

23

1

2214

20

10

0

2215

40

20

1

2216

33

20

1

2217

26,5

25,5

1

2218

50

22

0

2219

43,5

16

0

2220

60

35

0

2221

27

20

0

2222

17,5

4

0

2223

20

19

0

2224

50

22

2

2225

60

25

1

2226

20

14

0

2227

45

35

0

2228

33

31

1

2229

44

25,5

0

2230

110

55

1

2231

109,5

60

1

2232

109

55

1

2233

57

42

0

2234

48

44,5

0

2235

47

44,5

0

2236

109

65

1

2237

29,5

2,5

0

2238

55

2,5

0

2239

142,5

55

2

2240

132

4

0

2241

135

4

0

2242

138

4

0

2243

146

4

0

2244

150

4

0

2245

153

4

0

2246

153

6

0

2247

162

4

0

2248

168

4

0

2249

190

94

3

2250

38

10

1

2251

45

23

1

2252

40

20

1

2253

65,5

23

1

2254

69,5

23

1

2255

16

16

1

2256

30

18

3

2257

30

15,5

3

2258

30

15,5

1

2259

81,5

23,5

1

2260

33

20

1

2261

140

133

0

2262

76

74

1

2263

27

10

1

2264

38

18,5

1

2265

19,5

13

0

2266

28

27

1

2267

65

59

1

2268

14

13

0

2269

250

108

1

2270

33

26

1

2271

45

22

1

2272

50

20

0

2273

53

11

0

2274

48

30

0

2275

48

42

0

2276

45

20

0

2277

31

10

1

2278

57

13

0

2279

113

5

0

2280

193

40

0

2281

140

8

0

2282

172

39

0

2283

160

8

0

2284

73

5

0

2285

36

18

0

2286

50

11

0

2287

64

14

0

2288

32

18

1

2289

36

18

0

2290

74,5

24

0

2291

88,5

30

0

2292

35

28

0

2293

43

28

0

2294

29,5

28

0

2295

35

35

1

2296

28

16,5

0

2297

58

28

0

2298

35

25

1

2299

84

51,5

3

2300

64

28

1

2301

31,5

21,5

0

2302

36

15,5

1

2303

50

5,5

0

2304

68,5

27,5

1

2305

37

31

0

2306

40,5

33,5

0

2307

150

120

4

2309

32

32

1

2310

36,5

9,5

0

2311

36

12,5

0

2312

60

12

0

2313

140

6

2

2314

120

50

1

2315

170

31

2

2316

170

23

0

2317

58,5

37

1

2318

35

14,5

0

2319

35

14

0

2320

23

9

0

2321

36

9,5

0

2322

19

9,5

0

2323

26,5

26,5

0

2324

24

24

0

2325

48

35

0

2326

15

10

0

2327

36

13

0

2328

83,5

50

1

2329

86

8,5

0

2330

93

26,5

2

2331

30

18,5

0

2332

56

22

0

2333

45

25

0

2334

24,5

14,5

1

2335

50

36

2

2336

35,5

10

0

2337

24,5

19

0

2338

34

11

0

2339

55,5

19,5

0

2340

28

25

1

2341

15

12

0

2342

14

12

0

2343

15

12

0

2344

35,5

9,5

0

2345

15

12

0

2346

35,5

9,5

0

2347

14

11

0

2348

24,5

19

0

2349

15

12

0

2350

55

19,5

0

2351

35,5

9,5

0

2352

15

11,5

0

2353

35

10

0

2354

31,5

9,2

0

2355

28

24,5

1

2356

15

12

0

2357

40

3

0

2358

23

23

0

2359

29

9,5

0

2360

37,5

5

0

2361

25,5

6

0

2364

80

3

0

2365

30

6,5

0

2366

30

6,5

0

2367

24,5

3

0

2368

29,5

4,5

0

2369

58

5

0

2370

39

9

0

2371

100

6

0

2372

37,5

5

0

2373

45

4,5

0

2374

28

2,5

0

2375

30

2

0

2376

30

6

0

2377

30,5

7

0

2378

54

30

0

2379

38

4

0

2380

25

4

0

2381

25

3,5

0

2382

28

4,5

0

2383

30

4

0

2384

30

5

0

2385

25

3

0

2386

50

5,5

0

2387

25

4

0

2388

41

5

0

2389

30

6

0

2390

40

2,5

0

2391

30

6

0

2392

40

3,5

0

2393

41

6,5

0

2394

39,5

3,8

0

2395

40

23,5

0

2396

37

2,5

0

2397

78,6

2,5

0

2398

45

37

0

2399

40

35

0

2400

30

25

0

2401

25,8

6

0

2402

55

40

0

2403

18

6

0

2404

44

10

0

2405

30

30

0

2406

18

4,5

0

2407

18

5

0

2408

19

4,5

0

2409

22

6

0

2410

23

4,5

0

2411

125

25

0

2412

125

90

0

2413

55

30

0

2414

41

35

0

2415

45

45

0

2416

33

24

0

2417

30

30

0

2418

52

30

0

2419

30

30

0

2420

56

6

0

2421

26

21

0

2422

42

12

0

2423

45

30

0

2424

106

15

1

2425

120

30

0

2426

15

3

0

2427

85

42

1

2428

120

30

0

2429

125

25

0

2430

35

35

0

2431

60

35,5

0

2432

85

33

0

2433

24

6

0

2434

26

16

0

2435

11,5

6,5

0

2436

32

15

0

2437

92

25,5

0

2438

35

8

0

2439

37

26

0

2440

26

25

0

2441

31

13,5

0

2442

35

7,5

0

2443

31

23,5

0

2444

35

14

0

2445

75

19,5

0

2446

26,5

15,4

0

2447

40

16,5

0

2448

39

17

1

2449

40

24,5

2

2450

40

16,5

1

2451

50,5

45,5

3

2452

43

23

2

2453

48

43,5

3

2454

54

50

0

2455

28

19

0

2456

54

45

0

2457

30

15

0

2458

30

15

0

2459

40

15

0

2460

62,5

24

1

2461

40

20

1

2462

61,5

23,5

1

2463

80

35

0

2464

73

24

1

2465

82

32

0

2466

72

35

0

2467

35

20

1

2468

40

20

1

2469

25

25

1

2470

70

20

1

2471

80

20

1

2472

30

20

1

2473

60

20

1

2474

70

20

1

2475

60

20

1

2476

28

28

1

2477

80

20

1

2478

79

42

0

2479

62,5

6

0

2480

19

14

0

2481

34

25,7

1

2482

19,5

14,5

0

2483

55

14,5

0

2484

34

32

1

2485

43

34

1

2486

26

14

0

2487

31

29,5

0

2488

21

14,5

1

2489

80,5

46,5

0

2490

48,5

21

1

2491

35

32

0

2492

66,5

7,5

0

2493

29,2

21,5

0

2494

34

19,5

2

2495

81

40

0

2496

56

14,5

0

2497

36

34,5

3

2498

49,5

21,5

0

2499

63

8

0

2500

25

14,5

0

2501

21

14,5

0

2502

34

26

1

2503

21

14,5

0

2504

56

14,5

0

2505

63

6

0

2506

33,5

26

1

2507

28

14

0

2508

81

40

0

2509

38,5

30

2

2510

35

33

1

2511

56,5

16

0

2512

33,5

28

1

2513

63

5,5

0

2514

40

33

1

2515

21,5

16

0

2516

81

40

0

2517

26

14,5

0

2518

75,5

48

1

2519

70

45

3

2520

28

12,5

0

2521

24,5

8

0

2522

65,5

40

1

2523

46

35

1

2524

24,5

6,5

0

2525

32

12

0

2526

35

14

1

2527

25

4

0

2528

52

42

1

2529

140

33

5

2530

36

7

0

2531

20

20

0

2532

87

36

3

2533

60

33

2

2534

40

8

0

2535

23

5

0

2536

40

36

0

2537

16

16

0

2538

14

13,5

0

2539

53

30

0

2540

25

5

0

2541

17

6,5

0

2542

75

50

0

2543

49,5

33

2

2544

175

12

0

2545

46

40

0

2546

140

33

5

2547

70

35

0

2548

137,5

33

5

2549

11

10,5

0

2550

50

35

0

2551

16

10

0

2552

60

17

0

2553

120

54

2

2554

107

33

4

2555

35

22

0

2556

108

15,5

3

2557

38

14

0

2558

22

16

0

2559

100

30

0

2560

20

4

0

2561

50

30

1

2562

158

16

4

2563

27

11

0

2564

100

30

0

2565

140

33

4

2566

108

15,5

3

2567

22

4

0

2568

60

59

0

2569

80

60

0

2570

67

50

1

2571

46,5

9,5

0

2572

69

50

1

2573

97

50

1

2574

50

12

0

2575

30

7

0

2576

100

50

1

2577

80

60

0

2578

67

50

1

2579

25

8

0

2580

76,5

54,5

0

2581

97

50

1

2582

23

17,5

0

2583

87

70

0

2584

75

48,5

0

2585

75

55

0

2586

75,5

7,5

0

2587

33

12

0

2588

100

40

0

2589

145,5

7,5

0

2590

64

24

1

2591

64

42

0

2592

100

50

0

2593

34

33

0

2594

44

10

0

2595

60

60

0

2596

85

60

1

2597

32,5

9

0

2598

20

17

0

2599

60

60

0

2600

60

8

0

2601

40

40

1

2602

60

50

1

2603

97

50

1

2604

27,5

9

0

2605

54

38

0

2606

67

50

1

2607

75

48,5

0

2608

40

32

1

2609

63

32

0

2610

55

22

1

2611

49,5

27,5

1

2612

60

32

0

2613

59,5

37

1

2614

52

19

0

2615

40

40

1

2616

60

60

1

2617

74

54,5

1

2618

58,4

47

1

2619

60

40

1

2620

50

50

1

2621

74

74

1

2622

56

40

1

2623

56

40

1

2624

55,5

22

1

2625

53

40

1

2626

50

28

1

2627

70

40

1

2628

40

39

1

2629

52

19

0

2630

65

20

0

2631

63

32

0

2632

60

34,5

1

2633

23,5

19,5

0

2634

25,5

18

0

2635

60

35

0

2636

60

37

1

2637

29

18

0

2638

25,5

18

0

2639

30,5

12

0

2640

10

9

0

2641

79

34

0

2642

58,5

47

1

2643

66,5

20

0

2644

78

36,5

0

2645

35

32

0

2646

40

39

1

2647

28,5

18,5

0

2648

65

20

0

2649

50

50

1

2650

53

40

1

2651

25,5

18

0

2652

25,5

18

0

2653

24

10

1

2654

22,5

7

1

2655

23,5

10

1

2656

22,5

7

1

2657

77

35

1

2658

38

35

1

2659

35

14

0

2660

76

35

1

2661

93

35

1

2662

35

5

0

2663

31,5

18,5

0

2664

78,5

24

1

2665

84,5

84,5

1

2666

13

9

0

2667

18

10

0

2668

84,5

75,5

1

2669

92

35

1

2670

25

17

0

2671

46,5

14,5

0

2672

86

21

0

2673

52

44

1

2674

56

15

0

2675

46

12

0

2676

43,5

28

0

2677

135

37

1

2678

48,5

31,5

0

2679

38

20,5

0

2680

33

18

0

2681

30

23

0

2682

34

25

0

2683

47

12

0

2684

50

32

0

2685

30

21

0

2686

52

33

0

2687

38

11

0

2688

78

16

1

2689

120

33

1

2690

50,5

12

0

2691

120

43

1

2692

86,5

22

1

2693

30

22,5

0

2694

94

33,5

1

2695

48

13

0

2696

85

22,5

0

2697

38

20,5

0

2698

28

7

0

2699

64

26

0

2700

38

11

0

2701

33

18

0

2702

120

65

2

2703

79

25

0

2704

135

69

2

2705

50

34,5

0

2706

41

20

0

2707

48

19,5

0

2708

50

36

0

2709

82,5

45

2

2710

90

52

2

2711

40

34

2

2712

16,5

7

0

2713

70

70

0

2714

76,5

15,5

0

2715

52

24,5

0

2716

85

18

0

2717

93

61,5

0

2718

34

32

1

2719

45,5

23

1

2720

44

23

1

2721

25

18,5

1

2722

33

28,5

1

2723

36

29

1

2724

38,5

28

1

2725

32,5

28,5

1

2726

51

11

0

2727

48

23

1

2728

61,5

7

0

2729

25

16,5

0

2730

44

23,5

1

2731

35

31

1

2732

124

62

0

2733

92

26

0

2734

142

67,5

0

2735

52,5

18,5

0

2736

87

20

0

2737

95

77,5

0

2738

135

57,5

0

2739

122

38

0

2740

24

6

0

2741

125

53

0

2742

122

24

0

2743

140

40

0

2744

100

16,5

0

2745

130

25

0

2746

27

16

0

2747

32

14

0

2748

55

10

2

2749

42

27,5

0

2750

31

22

0

2751

50

22

1

2752

47,5

22,5

1

2753

23

12,5

0

2754

30

16,5

1

2755

115

51

1

2756

115

21

1

2757

49

45

0

2758

115

51

1

2759

42,5

10

0

2760

60

45

0

2761

41

14

1

2762

56

19,5

1

2763

125,5

36,5

0

2764

20

20

1

2765

45,5

18,5

1

2766

60

46,5

0

2767

35

24,5

1

2768

34,5

12

1

2769

130

53

0

2770

90

14

0

2771

60

40

2

2772

42

34,5

1

2773

116

88,5

0

2774

53

22,5

1

2775

98,5

13

0

2776

20

15

0

2777

20

7,5

0

2778

22

16,5

1

2779

50

25

1

2780

42

40

1

2781

20

18

1

2782

65

59

1

2783

25

22,5

0

2784

132

62

0

2785

23

18,5

0

2786

48

35

1

2787

109

56

0

2788

31

6,5

0

2789

60,5

47,5

0

2790

45

32

0

2791

61

30,5

1

2792

90

16

0

2793

30,5

12

1

2794

91

41

0

2795

120

40

1

2796

90

25

0

2797

30,5

12

0

2798

17

11

0

2799

15

11,5

0

2800

20

20

1

2801

50

16

0

2802

76

50

2

2803

19,5

10

0

2804

92

8,5

0

2805

50

26

2

2806

81

15

0

2807

61,5

31,5

0

2808

120

50

1

2809

22

21

1

2810

95,5

55,5

1

2811

110

68

1

2812

148

27

0

2813

20

9

0

2814

50

12

0

2815

148

27

0

2816

20

10

0

2817

18

10

1

2818

46,5

9,5

0

2819

30

7

0

2820

96

24

0

2821

31

27

1

2822

150

20

2

2823

85

45

1

2824

25

12

0

2825

120

50

1

2826

164

65

0

2827

164

47

0

2828

45

12

0

2829

120

50

0

2830

68

53,5

0

2831

132,5

66,5

0

2832

36,5

33

1

2833

50,5

50

0

2834

40

28

0

2835

62

34

0

2836

117

11

0

2837

80

39

0

2838

44

10

0

2839

132,5

11

0

2840

41

30

0

2841

132,5

10

0

2842

88

10

0

2843

137

10,5

0

2844

74,5

62,5

0

2845

54,5

53

0

2846

31

15

0

2847

130

50

0

2848

50

42

0

2849

40

40

1

2850

52

31,5

0

2851

55,5

34,5

0

2852

60

50

0

2853

85

45

1

2854

75

55

0

2855

75

23,5

0

2856

99

64

0

2857

66

25

0

2858

91

7,5

0

2859

68,5

38

0

2860

72

60

1

2861

36,5

28

0

2862

30

16

0

2863

17

11

0

2864

35

35

0

2865

37,5

25

0

2866

28

20

0

2867

75

36,5

0

2868

41

8

0

2869

12

6,5

0

2870

53

32

0

2871

49,5

48

1

2872

89

8

0

2873

87,5

69

0

2874

100

59,5

0

2875

89

70

0

2876

64

39

0

2877

60

15,5

0

2878

84

58

0

2879

34

25

0

2880

100

20

2

2881

140

60

2

2882

120

50

1

2883

95

41

1

2884

61

61

1

2885

120

65

1

2886

56

39

0

2887

62

50

0

2888

70

46,5

0

2889

88

30

0

2890

40

20

0

2891

37

22

0

2892

70

46,5

2

2893

82

40

1

2894

86

55,5

0

2895

21

19

0

2896

74

55

2

2897

33

22

0

2898

73

27

3

2899

53

7,5

0

2900

39,5

25

0

2901

120

60

0

2902

36

20

1

2903

26

17

1

2904

28

19

0

2905

50

20

0

2906

55

18

0

2907

50

40

0

2908

60

59

0

2909

19

6,5

0

2910

19,5

9,5

0

2911

150

75

0

2912

105

5

0

2913

50

50

0

2914

80

60

0

2915

145

5

0

2916

75

10

0

2917

35,5

10

0

2918

44

5

0

2919

30,5

18

1

2920

35

18

0

2921

20

4

0

2922

20

10

0

2923

127

8

0

2924

32

13

0

2925

31,5

16

0

2926

33

15

0

2927

20

5

0

2928

40

7,5

0

2929

25,5

16,5

0

2930

22

11

0

2931

35

35

0

2932

64

43

0

2933

29

18,5

0

2934

135

12,5

0

2935

50

45

0

2936

60

32

3

2937

42

18

0

2938

46

46

1

2939

92

74

1

2940

34

34

5

2941

22,5

17,5

0

2942

30

18

0

2943

43,5

38

0

2944

90

50

3

2945

113

28,5

0

2946

28,5

23,5

0

2947

28,5

23,5

0

2948

110

45

0

2949

96

63

2

2950

26

20

0

2951

111

75

8

2952

75

75

6

2953

31,5

29

1

2954

41

27,5

1

2955

75

75

6

2956

60

36,5

1

2957

29,5

18

0

2958

41

23

0

2959

70

40

1

2960

87

80

1

2961

88,5

40

1

2962

65

47,5

1

2963

50

40

1

2964

88,5

60

1

2965

41

10

0

2966

50,5

36,5

1

2967

59

45

0

2968

68,5

57,5

1

2969

100,5

100,5

1

2970

59

45

0

2971

45,5

45

0

2972

34

10

0

2973

24,5

15

0

2974

33,5

24,5

0

2975

30

30

1

2976

70

40

1

2977

63,5

28

2

2978

53

40

0

2979

59,5

37

1

2980

78

28

2

2981

37,5

7

0

2982

42

36

1

2983

92

19

3

2984

72

67,5

0

2985

67,5

18,5

0

2986

94,5

94,5

1

2987

21,5

13

0

2988

96

87,5

1

2989

48

30

0

2990

50

8

0

2991

45,5

15

0

2992

49,5

21

1

2993

33,5

27,5

0

2994

54

54

8

2995

50

40

0

2996

26

13,5

0

2997

58

14,5

0

2998

38

38

0

2999

135

135

1

3000

60

36,5

1

3001

111

75

8

3002

51

25

1

3003

25

25

1

3004

31,5

29

1

3005

29,5

13

0

3006

20

8,5

0

3007

15

9

0

3008

72

70

0

3009

41

10

0

3010

25

9

0

3011

60

8

0

3012

50

45

1

3013

45,5

10,5

0

3014

30

30

0

3015

24

21,5

0

3016

20

3,5

0

3017

73

40

0

3018

40

20

0

3019

55

30

0

3020

78

14

0

3021

50

32

0

3022

60

30

1

3023

19

8

0

3024

29,5

11

0

3025

27,5

20,5

0

3026

54,5

27

0

3027

38

31,5

1

3028

19

19

1

3029

25

10

0

3030

32,5

11

0

3031

29,5

9

0

3032

16,5

16

1

3033

22,5

6

0

3034

33

26,5

1

3035

65

65

6

3036

25

10

0

3037

43,5

29,5

1

3038

45

32

1

3039

95,5

60

1

3040

39

26,5

1

3041

42

31,5

1

3042

50

16

0

3043

16,5

16,5

1

3044

19

19

1

3045

29

28,5

1

3046

60

36

1

3047

68

63

2

3048

75,5

72

1

3049

72,5

34

1

3050

88,5

63

3

3051

75,5

72

3

3052

60

9,5

0

3053

73,5

70,5

1

3054

22

13

0

3055

120

72

0

3056

20,5

14

0

3057

132,5

12

0

3058

60

18

0

3059

80

72

0

3060

80

30

0

3061

44

14

0

3062

140

70

0

3063

100

100

3

3064

82

25

2

3065

32

30

0

3066

44

41,5

1

3067

150

12

0

3068

89

25

0

3069

15

8

0

3070

117

12,5

0

3071

53

19

0

3072

47,5

20

0

3073

125

35

0

3074

53

5

0

3075

26

13

1

3076

20,5

20

0

3077

35

27,5

0

3078

35,5

30

0

3079

28

13

0

3080

53,5

23

2

3081

100

70

0

3082

50

35

3

3083

109

100

1

3084

30

9

0

3085

78

18,5

0

3086

26

17,5

0

3087

16

4

0

3088

51,5

36,5

1

3089

75

45

0

3090

21

11

0

3091

51,5

34

0

3092

50

30

0

3093

76

6

0

3094

60

40

0

3095

120

10

0

3096

28,5

12

0

3097

152

30

0

3098

50,5

50

0

3099

28,5

22

0

3100

100

70

3

3101

88

26

2

3102

44

35

0

3103

32

30

0

3104

62

58

0

3105

75

55

0

3106

32

17,5

0

3107

42

38

0

3108

33

30

0

3109

80

60

0

3110

40

26

1

3111

57

10

0

3112

47,5

44,5

0

3113

48

6

0

3114

42

8

0

3115

62,5

32,5

0

3116

47,5

36,5

0

3117

27

13

0

3118

52

15,5

0

3119

40

8

0

3120

66

35

0

3121

50

40

0

3122

40

12

0

3123

31

8

0

3124

23

15,5

0

3125

52,5

43

3

3126

31

6,5

0

3127

60

43,5

0

3128

65

52,5

3

3129

18,5

7,5

0

3130

50

22

0

3131

25,5

16,5

0

3132

16,5

9,5

0

3133

37,5

8

0

3134

35

8

0

3135

71

19

0

3136

75

25

0

3137

38,5

8

0

3138

27,5

10

0

3139

44,5

44,5

0

3140

24

8,5

0

3141

30

20

0

3142

59

40

0

3143

25

15,5

0

3144

30

21

0

3145

30

18

0

3146

30

30

1

3147

75

25

0

3148

110

50

1

3149

20

10

0

3150

18,5

12

0

3151

50

40

0

3152

30

17

0

3153

17,5

13

0

3154

42

20

0

3155

40

12

0

3156

30

22

0

3157

48

13

0

3158

16

4

0

3159

35

8,5

0

3160

92

57

1

3161

42,5

42,5

1

3162

25,5

11,5

0

3163

36

8,5

0

3164

55

41,5

0

3165

20

18

0

3166

120

24

2

3167

62,5

24

0

3168

140

44,5

0

3169

57,5

23,5

0

3170

110,5

48

0

3171

66

33,5

0

3172

60,5

11,5

0

3173

79

17,5

1

3174

80

8

0

3175

139,5

50,5

0

3176

24

16

0

3177

23,5

12,5

0

3178

91

50,5

0

3179

28

16

1

3180

22

13

0

3181

39

13,5

0

3182

27,5

15,5

0

3183

20

20

1

3184

90

48,5

0

3185

25,5

19,5

0

3186

27,5

13,5

0

3187

46

25

0

3188

35

33

1

3189

28,5

23

0

3190

80

33

1

3191

27,5

16

1

3192

93,5

10

0

3193

22

6,5

0

3194

79

39

0

3195

125

35

0

3196

39,5

39,5

0

3197

26

2

0

3198

40,5

40

0

3199

135

17,5

0

3200

23

6,5

0

3201

30

27

1

3202

80

40

0

3203

84,5

23

0

3204

99,5

93

1

3205

36

9

0

3206

28

15,5

0

3207

13

10

0

3208

58

25

1

3209

62

40

1

3210

37,5

6

0

3211

21

19,5

0

3212

38

20,5

1

3213

20,5

19

0

3214

19,5

16

0

3215

36

30

1

3216

75

22

3

3217

77

25

1

3218

52

14

0

3219

98,5

89

1

3220

52

30

2

3221

120

48

0

3222

56

24,5

0

3223

103

28

1

3224

81

73

1

3225

56

23

0

3226

120

32

1